广州qm论坛信息_九品升级毕业区(场所)江苏_茶品汇楼凤_成都学生快餐联系方式

你好!欢迎进入泰安今朝机械有限公司!

今朝机械

在起重、勘探机械等领域研制行星减速机构

随车起重机专用 当前位置:首页 > 随车起重机专用

  • 卷扬减速机JQZ87
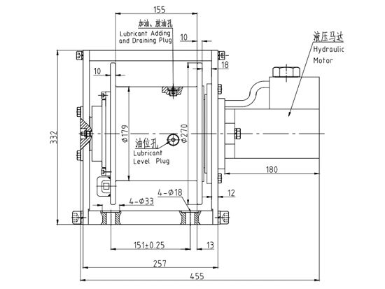
    1. 卷扬减速机JQZ87卷扬减速机JQZ87

卷扬减速机JQZ87

泰安市今朝机械有限公司主要生产有8吨至50吨汽车起重机起升及回转机构,勘探机械起升、回转机构,12米至36米高空作业车系列的起升及回转机构,3.2吨至20吨随车起重机起升、回转机构,履带吊起升、回转、变幅以及行走等产品。

泰安今朝机械制造有限公司

张经理:13515383020

王经理:13854883386

电    话:0538-8768035 / 8768036

传    真:0538-8768037

地    址:泰安市泰山区邱家店工业园(普瑞特大街)


咨询热线:13515383020 立即咨询

信息详情

卷扬减速机JQZ87

卷扬减速机JQZ87

卷扬减速机JQZ87

卷扬减速机JQZ87
卷扬减速机JQZ87 2019-3-21 本文被阅读 3317 次
上一条:卷扬减速机JQL460下一条:卷扬减速机JQZ760A

CONTACT US 联系我们

  • 张经理:13515383020

    王经理:13854883386

    电话:0538-8768035 / 8768036

    传真:0538-8768037

  • 二维码扫描

  • 地址:泰安市泰山区邱家店工业园

    (普瑞特大街)

    网址:m.bov46.cn

版权所有:泰安今朝机械有限公司        鲁ICP备14012410号-1        

主站蜘蛛池模板: 临湘市| 沙河市| 金川县| 桓台县| 策勒县| 和田县| 迁安市| 阿巴嘎旗| 化州市| 鹿泉市| 祥云县| 金塔县| 舒城县| 武胜县| 凌海市| 东海县| 天气| 连云港市| 宜城市| 磴口县| 常山县| 澄迈县| 五大连池市| 正安县| 鹿邑县| 藁城市| 深水埗区| 东阳市| 建昌县| 潞西市| 丹东市| 察雅县| 贵港市| 泾川县| 定边县| 青阳县| 镇安县| 和平县| 邯郸县| 田阳县| 枝江市|